Новое открытие доказывает, что грибы появились намного раньше, чем считалось

Автор

Команда международных ученых провела исследование и пришла к выводу, что первые грибы появились намного раньше.

Исследователи добавили, что происхождение грибов и их дальнейшее развитие пока мало изучено. При этом микологии пока известно лишь 2% организмов, которые когда-либо существовали на Земле. Ранее ученые были уверены только в том, что первые древние грибы были возрастом около 460 млн лет.

Теперь международная группа ученых нашла новый ископаемый гриб, который оказался намного старше, чем те организмы, которые были известны исследователям. После анализа молекулярного состава ученые смогли подтвердить свою догадку по поводу его возраста.

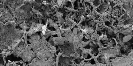
Ученые нашли остатки грибницы в древних породах, чей возраст составлял от 700 до 800 млн лет; образцы нашли во время раскопок Конго. После этого они смогли идентифицировать и возраст организмов, который по периоду совпал с породами.

Мумии тоже умеют говорить: ученые восстановили голос древнего жреца (Видео)

Для датировки они применили новые методы анализа: спектроскопию с синхротронным излучением, конфокальную, флуоресцентную и электронную микроскопии. Это позволило рассмотреть органические остатки без химической обработки. Также выяснилось, что организмы были эукариотами, то есть их клетки имели ядро.